
額定電壓:單相220V/三相220V/三相 440V
頻率范圍:0.1~250Hz
功率范圍:0.4 ~2.0kW



■ 型號說明

■ 產品規格

■ 產品尺寸

■ 系統結構圖

■ 位置控制模式接線圖

■ 速度控制模式接線圖

■ 轉矩控制模式接線圖

| 資料類型 | 資料名稱 | 版本 | 日期 | 下載 | 預覽 |
|---|---|---|---|---|---|
| 軟件 | SAVCH伺服系統上位機軟件 | V1.1.08.0508 | 2023/05/08 | 下載 | //php if($value['file_ext']=='pdf'){ ?>預覽 |
| 產品彩頁 | SDE2系列伺服系統通用型彩頁 | V1.1 | 2022/10/17 | 下載 | //php if($value['file_ext']=='pdf'){ ?>預覽 |
| 用戶手冊 | SDE2系列伺服系統通用型用戶手冊 | V1.2 | 2022/08/12 | 下載 | //php if($value['file_ext']=='pdf'){ ?>預覽 |
■ 伺服電機

■ 伺服電機參數





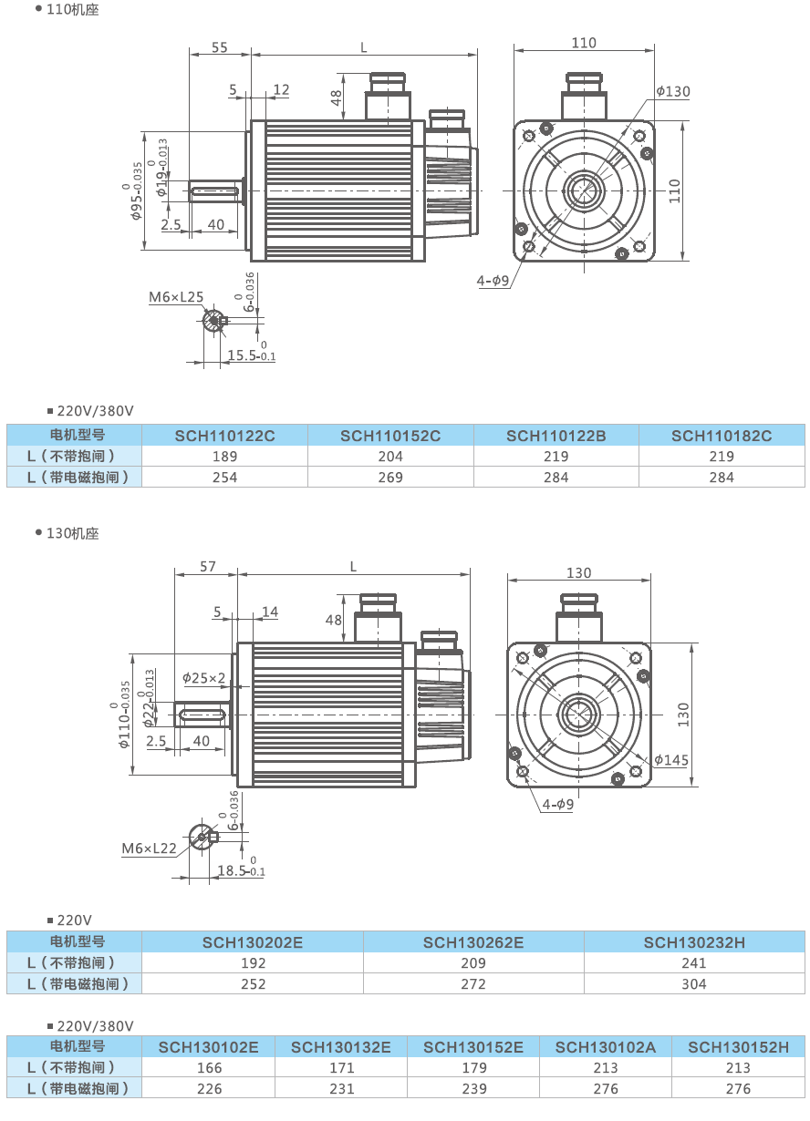
■ 伺服電機尺寸


■ 配件


(?) 2017 SAVCH ICP備案號:閩ICP備15027294號-2
(?) 2017 SAVCH ICP備案號:閩ICP備15027294號-2

